AUTOCAD中2D与3D图纸绘制实用项目训练视频教程

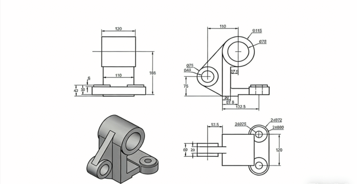
本教程是关于AUTOCAD中2D与3D图纸绘制实用项目训练视频教程,时长:9小时30分,大小:4.2 GB,MP4高清视频格式,附工程源文件,教程使用软件:AutoCAD,作者:Jaiprakash Pandey,共10个章节,语言:英语。 AutoCAD(Auto Computer Aided Design)是美国Autodesk公司首次于1982年开发的自动计算机辅助设计软件,用于二维绘图、详细绘制、设计文档和基本三维设计。现已经成为国际上广为流行的绘图工具。AutoCAD具有良好的用户界面,通过交互菜单或命令行方式便可以进行各种操作。它的多文档设计环境,让非计算机专业人员也能很快地学会使用。在不断实践的过程中更好地掌握它的各种应用和开发技巧,从而不断提高工作效率。AutoCAD具有广泛的适应性,它可以在各种操作系统支持的微型计算机和工作站上运行。





资源下载
推荐服务: 也即“挑选服务”,应网友需求,本站根据网友所处学习阶段、职业岗位、发展规划等情况,挑选、组合符合其需求的教程、素材、软件等内容进行推荐,节约网友时间,提高学习效率!有需求,可以前往“问答——挑选服务“板块进行提问,站长会结合您情况进行针对性推荐组合。以解决您面对众多资源,不知从何学起的难点!如觉得本站服务不错,请不吝帮忙推荐给身边朋友!
温馨提示:
1.VIP会员下载的素材仅能用于个人参考练习,请在下载24小时后删除,会费为自愿打赏赞助,网站不售卖任何资源,赞助费用将用于服务器租赁、域名购买续费、网站安全运维、功能开发升级和其他杂费等,而并非购买素材的使用权或版权,所有素材严禁商用、严禁传播、严禁倒卖。
2.不同用户组每日下载/回复数量有不同的限制,请根据自己使用需要选择。
3.禁止会员账号共享、代下、素材倒卖以及非法传播,违站将封禁账号。
4.如果源码网盘地址失效!或有其他问题,请联系值班站长,谢谢合作!联系E-mail:84661286@qq.com 。
2.不同用户组每日下载/回复数量有不同的限制,请根据自己使用需要选择。
3.禁止会员账号共享、代下、素材倒卖以及非法传播,违站将封禁账号。
4.如果源码网盘地址失效!或有其他问题,请联系值班站长,谢谢合作!联系E-mail:84661286@qq.com 。
也许你也喜欢下面的资源…
也许你也喜欢下面的自贸商品…
技艺学习素材网
客服微信